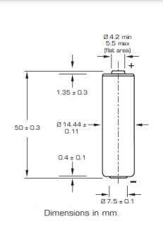
סוללת ליתיום עם חוטי הלחמה - AA , 3.6V SAFT ועוד סוללות, מצברים ומטענים. לחצו למיפרט טכני מלא. צרו קשר לייעוץ מקצועי: 04-8520233
שתף


מוצרים נלווים
|
טיפים והמלצות פתרונות קירור לאלקטרוניקה: למה הפרויקט שלכם צריך מאוורר או גוף קירור? דרמל ושימושים של הכלי הרב תכליתי קליבר - הכלי המדוייק למדידה מזוודת אחסון כלי עבודה שימושים בסוללת ומצברים 12 וולט מוצרי תחזוקה וניקוי באלקטרוניקה זיווד באלקטרוניקה - קופסאות חשמל פלסטיק ציוד ניקיון - כלים חשמליים לניקיון שואבי אבק לתעשיה ולבית - לניקיון מהיר ויסודי ארגזי כלים ופתרונות אחסון לציוד וכלי עבודה |
סוללת ליתיום עם חוטי הלחמה - AA , 3.6V SAFT ועוד סוללות, מצברים ומטענים. לחצו למיפרט טכני מלא. צרו קשר לייעוץ מקצועי: 04-8520233 שתף
מוצרים נלווים |