מחבר UHF - זכר ללחיצה לכבל RG58 MULTICOMP ועוד קונקטורים, מחברים ומתאמים. לחצו למיפרט טכני מלא. צרו קשר לייעוץ מקצועי: 04-8520233
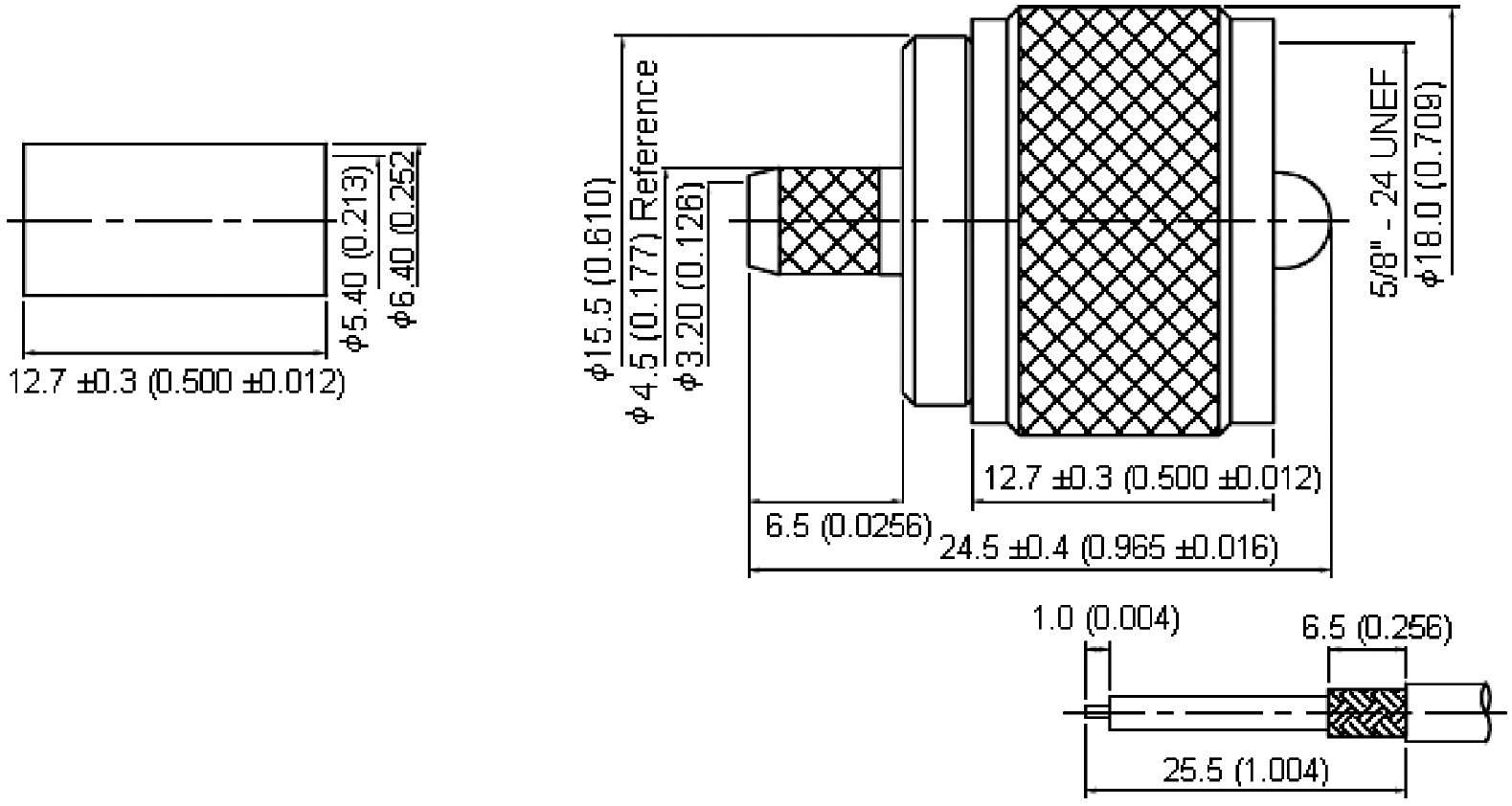
מחבר UHF - זכר ללחיצה לכבל RG58
♦ התנגדות : 50R
♦ סוג מוליך : גוף ומגעים בציפוי ניקל
♦ תדר מקסימלי : 300MHZ
♦ שיטת חיבור : לחיצה

מוצרים נלווים
| תמונה | תיאור מוצר | הוסף לסל | |||
|---|---|---|---|---|---|
| 1448943 כבל קואקס מקצועי - RG58U - PRO POWER | PRO-POWER | כבל קואקס מקצועי - PRO POWER - RG58 ♦ התנגדות : 50R♦ מבנה המוליך : 1/0.8MM TC... כבלים ואביזרים לכבלים » כבלים קואקסיאליים | כמות | |
| 5803132 כבל קואקס מקצועי - PRO POWER - RG223 | PRO-POWER | כבל קואקס מקצועי - PRO POWER - RG223 ♦ התנגדות : 50R♦ מבנה המוליך : 1/0.89MM♦&n... כבלים ואביזרים לכבלים » כבלים קואקסיאליים | לא ניתן להזמין - אזל המלאי |







