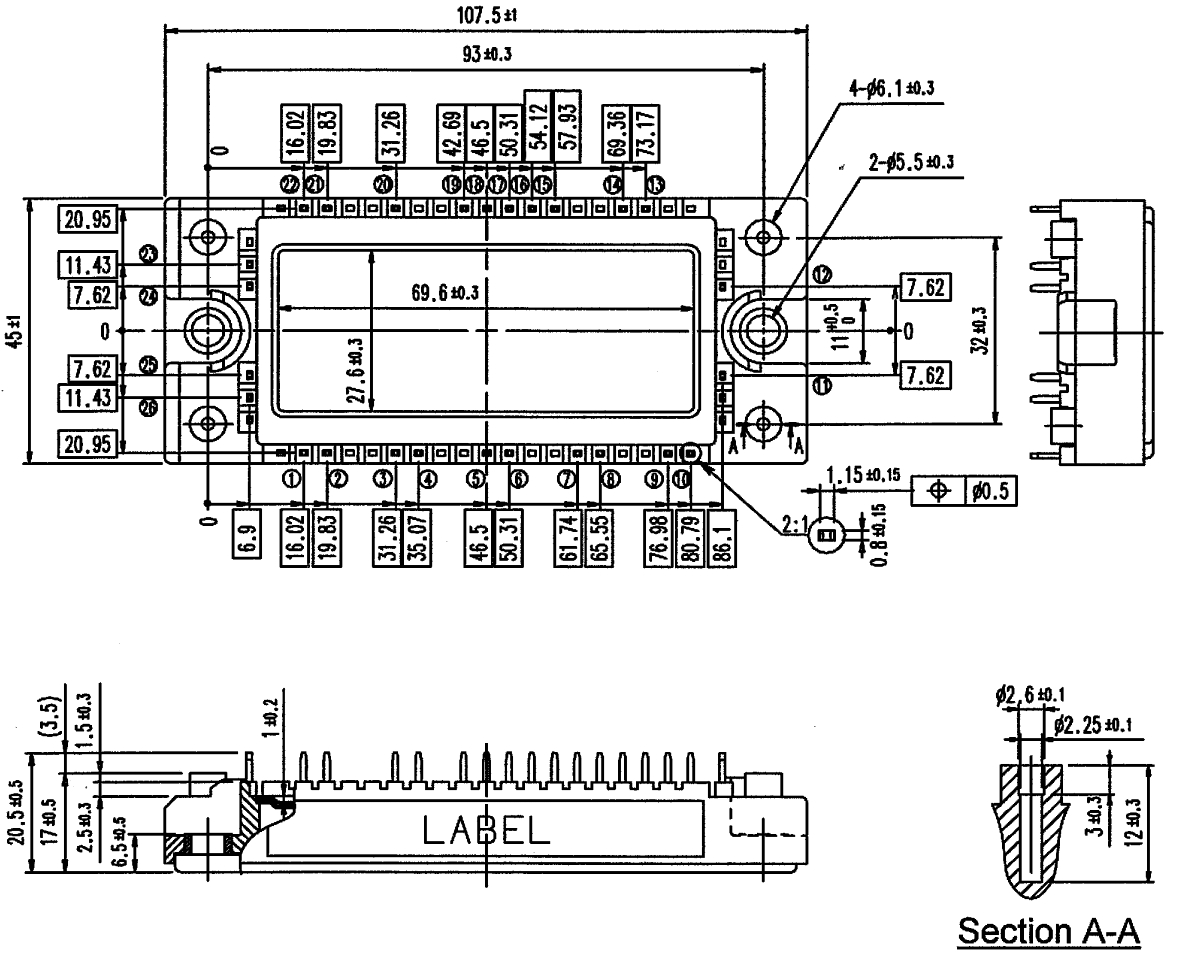
טרנזיסטור - IGBT MODULE - N CH - 1200V 50A - 280W FUJI ELECTRIC ועוד רכיבי אלקטרוניקה. לחצו למיפרט טכני מלא. צרו קשר לייעוץ מקצועי: 04-8520233
טרנזיסטור - IGBT MODULE - N CH - 1200V 50A - 280W
♦ דגם הטרנזיסטור : 7MBR50VP-120-50
♦ מבנה הטרנזיסטור : M719

מוצרים נלווים







