טרנזיסטור - IGBT MODULE - N CH - 1200V 400A - 2045W FUJI ELECTRIC ועוד רכיבי אלקטרוניקה. לחצו למיפרט טכני מלא. צרו קשר לייעוץ מקצועי: 04-8520233
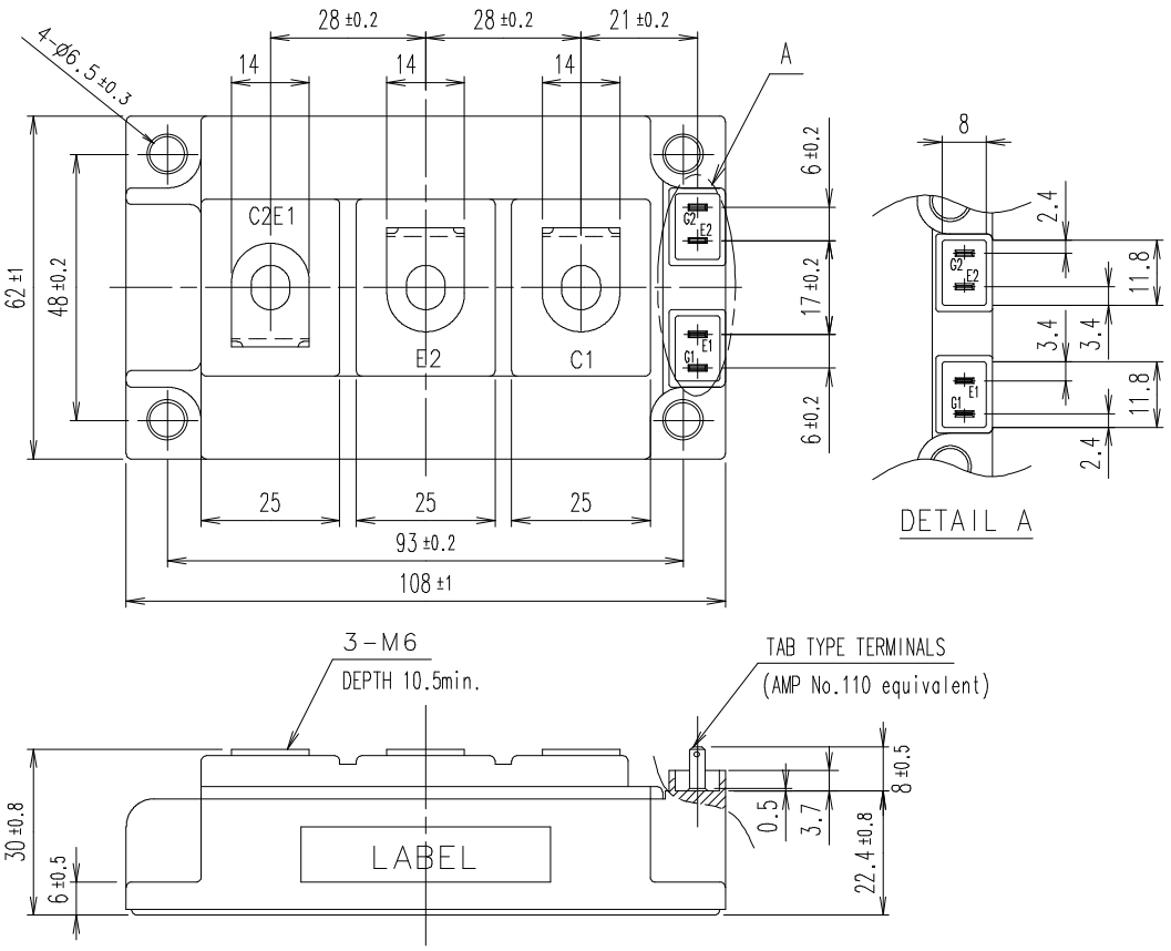
טרנזיסטור - IGBT MODULE - N CH - 1200V 400A - 2045W
♦ דגם הטרנזיסטור : 2MBI400U4H-120-50
♦ מבנה הטרנזיסטור : NPT
.jpg)
מוצרים נלווים







