מפענח לוגי - 4 יציאות - SMD - 4.5V-5.5V - 2-TO-4 / DMUX TEXAS INSTRUMENTS ועוד מעגלים משולבים (IC). לחצו למיפרט טכני מלא. צרו קשר לייעוץ מקצועי: 04-8520233
מפענח לוגי - 4 יציאות - SMD - 4.5V-5.5V - 2-TO-4 / DMUX
♦ מק''ט יצרן : CD74ACT139M
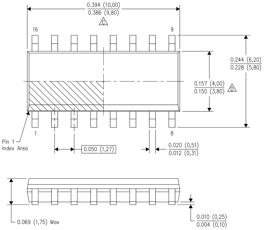
♦ מבנה הרכיב : SOIC-16
.jpg)
מוצרים נלווים







