מפענח לוגי - 8 יציאות - SMD - 2V-6V - 3-TO-8 / DMUX TEXAS INSTRUMENTS ועוד מעגלים משולבים (IC). לחצו למיפרט טכני מלא. צרו קשר לייעוץ מקצועי: 04-8520233
שתף
מפענח לוגי - 8 יציאות - SMD - 2V-6V - 3-TO-8 / DMUX
♦ מק''ט יצרן : CD74HC137PW
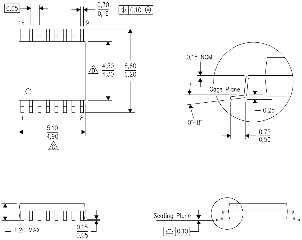
♦ מבנה הרכיב : TSSOP-16
.jpg)
מוצרים נלווים







