מעגלים משולבים (IC) » מיקרו בקרים - MICROCONTROLLERS » מיקרו בקרים - MICROCONTROLLERS - 8BIT - TSSOP
מיקרו בקר - SMD - 3.5KByte / 128Byte - 8BIT - 20MHZ - 12 I/O MICROCHIP ועוד מעגלים משולבים (IC). לחצו למיפרט טכני מלא. צרו קשר לייעוץ מקצועי: 04-8520233
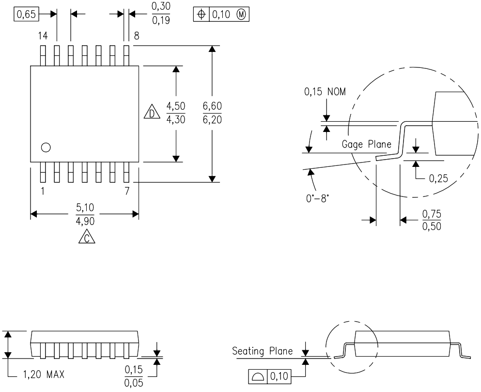
מיקרו בקר - SMD - 3.5KByte / 128Byte - 8BIT - 20MHZ - 12 I/O
♦ מק''ט יצרן : PIC16F753-I/ST
♦ מבנה הרכיב : TSSOP-14
.jpg)
מוצרים נלווים







