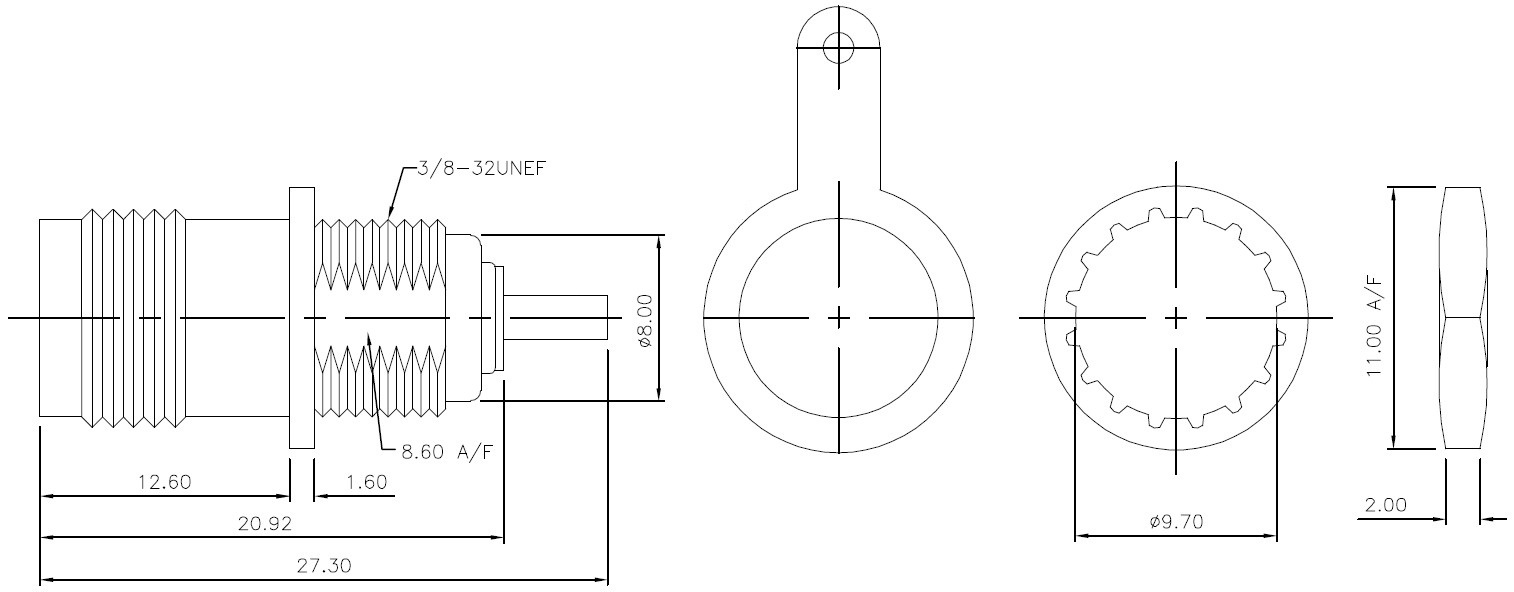
מחבר TNC - נקבה להלחמה לכבל עם הברגה לפנל MULTICOMP ועוד קונקטורים, מחברים ומתאמים. לחצו למיפרט טכני מלא. צרו קשר לייעוץ מקצועי: 04-8520233
לקוחותינו התעניינו גם ב...
מחבר TNC - נקבה להלחמה לכבל עם הברגה לפנל
♦ התנגדות : 50R
♦ סוג מוליך : גוף ופין בציפוי כסף
♦ תדר מקסימלי : 11GHZ
♦ שיטת חיבור : הלחמה
.jpg)
מוצרים נלווים







