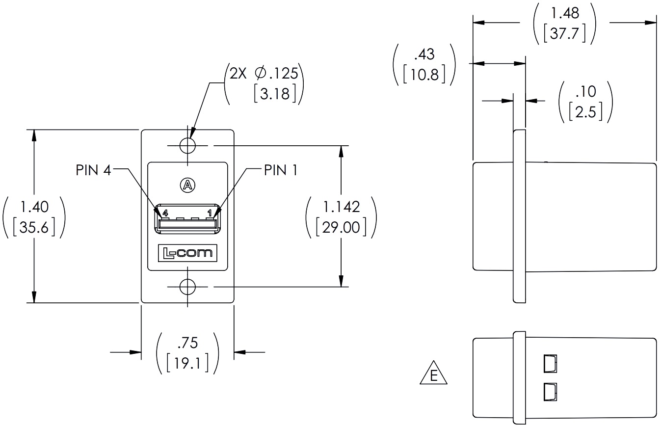
מתאם מסוכך לפנל (USB A (F) - USB A (F L-COM ועוד קונקטורים, מחברים ומתאמים. לחצו למיפרט טכני מלא. צרו קשר לייעוץ מקצועי: 04-8520233
לקוחותינו התעניינו גם ב...
מתאם מסוכך לפנל (USB A (F) - USB A (F

מוצרים נלווים
|
טיפים והמלצות מדריך לבחירת מכשיר בדיקה לכבלי תקשורת (LAN) פנס עבודה מקצועי לעבודות אלקטרוניקה פתרונות קירור לאלקטרוניקה: למה הפרויקט שלכם צריך מאוורר או גוף קירור? קטן, חכם, וזול: שאלות שכל אחד שואל על Raspberry Pi בשנת 2025 דרמל ושימושים של הכלי הרב תכליתי קליבר - הכלי המדוייק למדידה מזוודת אחסון כלי עבודה מוצרי תחזוקה וניקוי באלקטרוניקה זיווד באלקטרוניקה - קופסאות חשמל פלסטיק ציוד ניקיון - כלים חשמליים לניקיון |
מתאם מסוכך לפנל (USB A (F) - USB A (F L-COM ועוד קונקטורים, מחברים ומתאמים. לחצו למיפרט טכני מלא. צרו קשר לייעוץ מקצועי: 04-8520233 לקוחותינו התעניינו גם ב... מתאם מסוכך לפנל (USB A (F) - USB A (F
מוצרים נלווים |