שנאי יצוק למעגל מודפס - 230V ⇒ 2X18V - 444MA / 16VA MYRRA ועוד ספקי כוח, שנאים וממירי מתח. לחצו למיפרט טכני מלא. צרו קשר לייעוץ מקצועי: 04-8520233
שתף
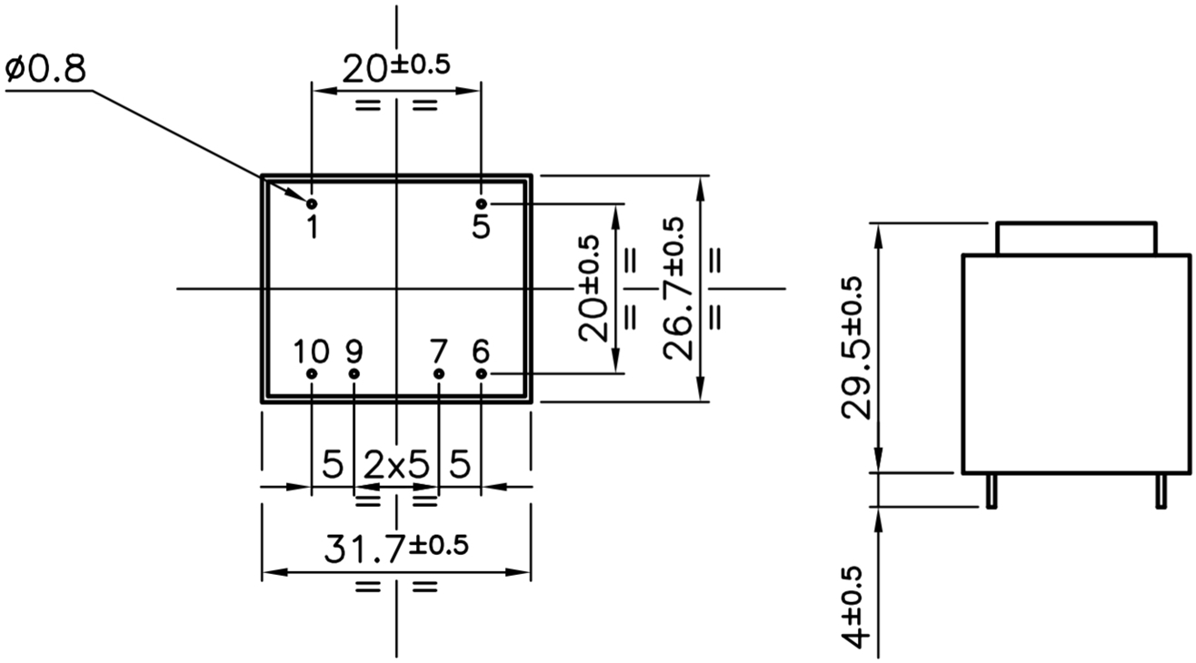
שנאי יצוק למעגל מודפס - 230V ⇒ 2X18V - 444MA / 16VA
♦ איטום בואקום עם בידוד 4KV
♦ הגנה פנימית מפני קצרים
♦ UL 5085 / VDE / EN 61558-2-6 / EN 60950

מוצרים נלווים







