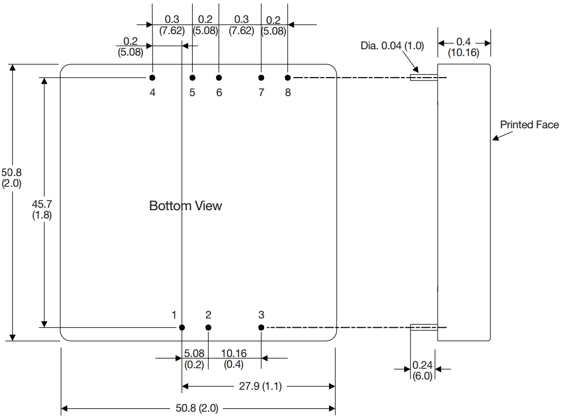
ספקי כוח, שנאים וממירי מתח » ממירי מתח - DC > DC » ממירי מתח DC > DC - יציאה אחת - (THROUGH HOLE (DIP
ממיר מתח - 60W , 18VDC ~ 36VDC ⇒ 15VDC , 4000MA XP POWER ועוד ספקי כוח, שנאים וממירי מתח. לחצו למיפרט טכני מלא. צרו קשר לייעוץ מקצועי: 04-8520233
שתף
מוצרים נלווים








