ספקי כוח, שנאים וממירי מתח » ממירי מתח - DC > DC » ממירי מתח DC > DC - יציאה אחת - (THROUGH HOLE (DIP
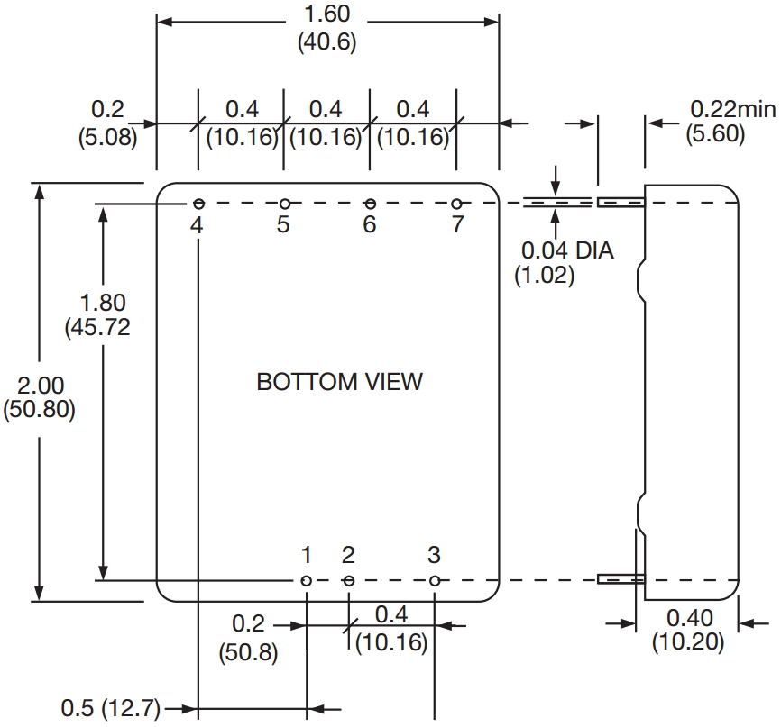
ממיר מתח - 30W , 18VDC ~ 36VDC ⇒ 5VDC , 5000MA XP POWER ועוד ספקי כוח, שנאים וממירי מתח. לחצו למיפרט טכני מלא. צרו קשר לייעוץ מקצועי: 04-8520233
שתף
מוצרים נלווים








