ספקי כוח, שנאים וממירי מתח » ממירי מתח - DC > DC » ממירי מתח DC > DC - יציאה אחת - (SURFACE MOUND (SMD
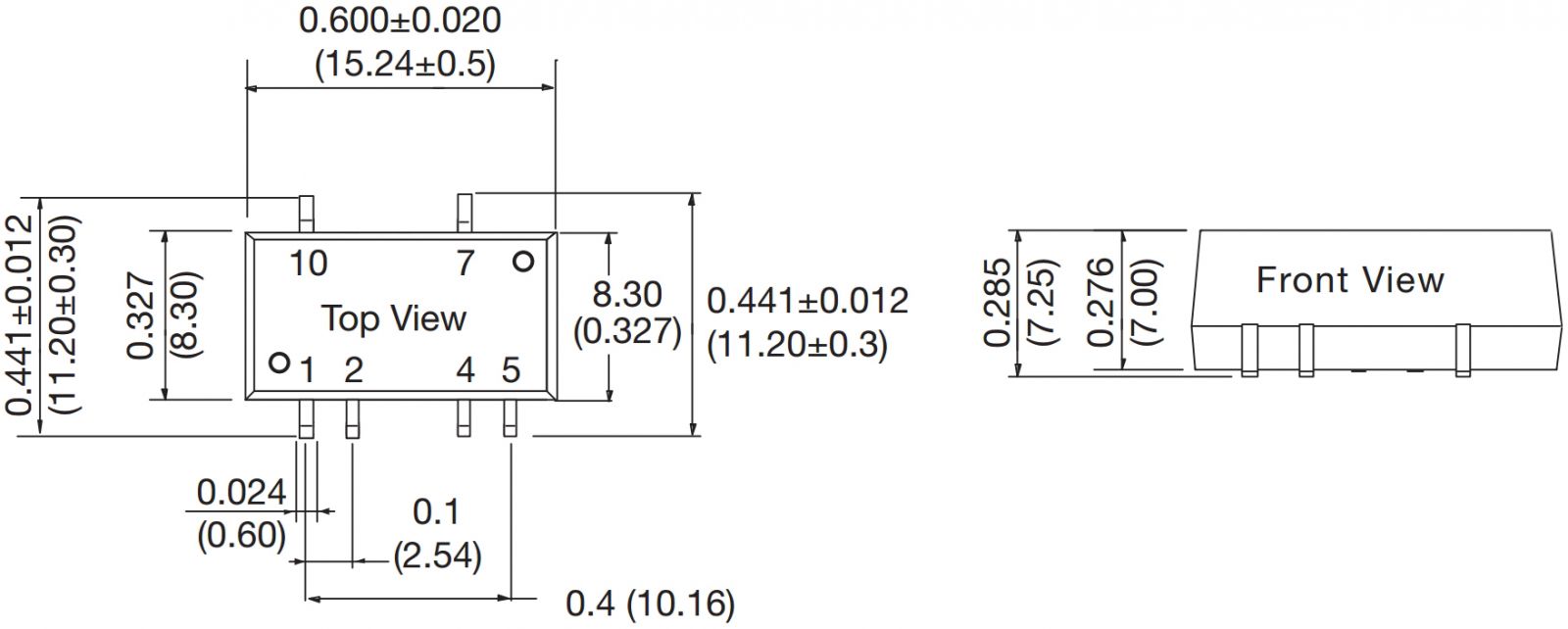
ממיר מתח - 1W , 11.4VDC ~ 12.6VDC ⇒ 5VDC , 200MA XP POWER ועוד ספקי כוח, שנאים וממירי מתח. לחצו למיפרט טכני מלא. צרו קשר לייעוץ מקצועי: 04-8520233
שתף
מוצרים נלווים








