ספקי כוח, שנאים וממירי מתח » ממירי מתח - DC > DC » ממירי מתח DC > DC - יציאה מרובה - (THROUGH HOLE (DIP
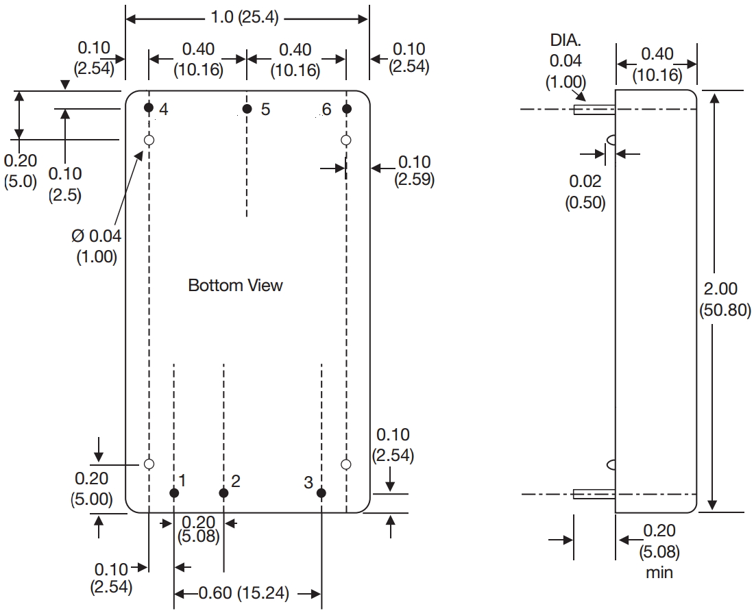
ממיר מתח - 40W , 36VDC ~ 75VDC ⇒ ±15VDC , 1330MA XP POWER ועוד ספקי כוח, שנאים וממירי מתח. לחצו למיפרט טכני מלא. צרו קשר לייעוץ מקצועי: 04-8520233
שתף
מוצרים נלווים








