ספקי כוח, שנאים וממירי מתח » ממירי מתח - DC > DC » ממירי מתח DC > DC - יציאה מרובה - (THROUGH HOLE (SIP
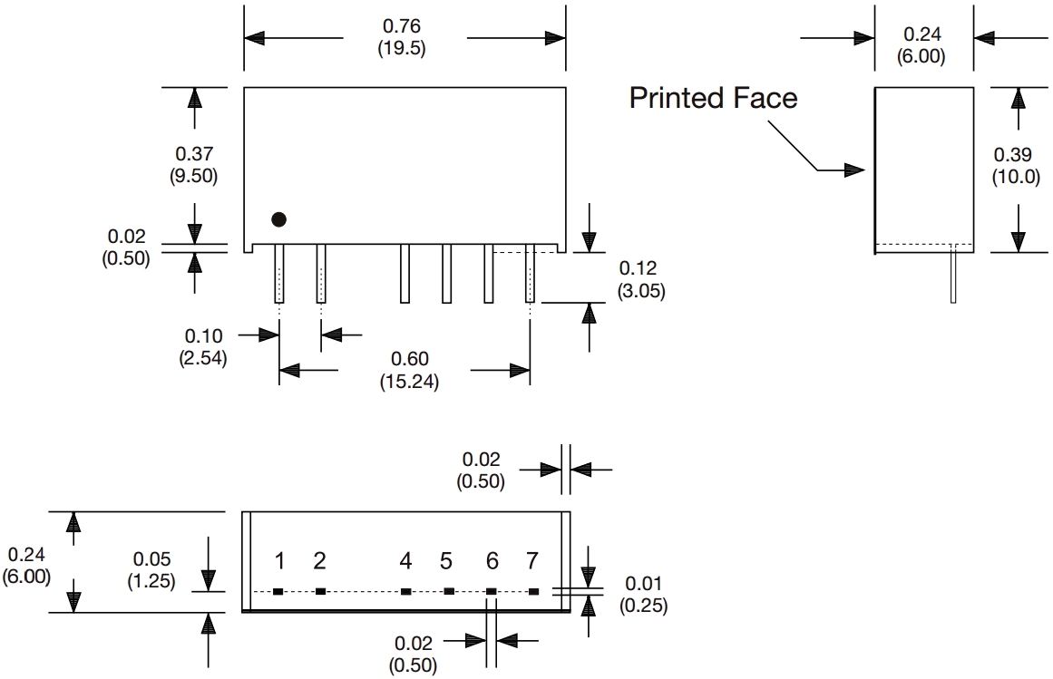
ממיר מתח - 1W , 4.5VDC ~ 5.5VDC ⇒ ±12VDC , 41.6MA XP POWER ועוד ספקי כוח, שנאים וממירי מתח. לחצו למיפרט טכני מלא. צרו קשר לייעוץ מקצועי: 04-8520233
שתף
מוצרים נלווים








