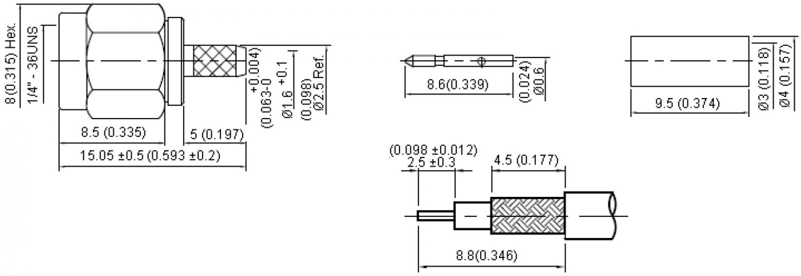
מחבר SMA - זכר ללחיצה לכבל RG174 MULTICOMP ועוד קונקטורים, מחברים ומתאמים. לחצו למיפרט טכני מלא. צרו קשר לייעוץ מקצועי: 04-8520233
מחבר SMA - זכר ללחיצה לכבל RG174
♦ התנגדות : 50R
♦ ציפוי מגעים : זהב
♦ תדר מקסימלי : 18GHZ
.jpg)
מוצרים נלווים
| תמונה | תיאור מוצר | הוסף לסל | |||
|---|---|---|---|---|---|
| 0236501 כיסוי הגנה למחברי RF - מתאים לכבלים RG174 / RG179 | MULTICOMP | כיסוי הגנה למחברי RF - מתאים לכבלים RG174 / RG179 ♦ חומר : PVC גמיש♦ צבע : שחור... קונקטורים, מחברים ומתאמים » מחברים ומתאמים קואקסיאליים | לא ניתן להזמין - אזל המלאי | |
| 3937043 כבל קואקס מקצועי - PRO POWER - RG174 | MULTICOMP | כבל קואקס מקצועי - PRO POWER - RG174 ♦ התנגדות : 50R♦ מבנה המוליך : 7/0.16MM ... כבלים ואביזרים לכבלים » כבלים קואקסיאליים | לא ניתן להזמין - אזל המלאי | |
| 9119667 לוחץ רצ'ט לכבלים קואקסיאליים - RG174 , RG178 , RG179 | MULTICOMP | לוחץ רצ'ט לכבלים קואקסיאליים - RG174 , RG178 , RG179 ♦ מתאים למחברים : SMA , BNC , TNC , F... כלי עבודה ידניים » לוחצים לכבלים | לא ניתן להזמין - אזל המלאי |







