ספקי כוח, שנאים וממירי מתח » ספקי כוח - AC > DC » ספקים ממותגים למעגל מודפס - ENCAPSULATED - SINGLE OUTPUT
ספק כוח AC/DC למעגל מודפס - 25W - 85V~264V ⇒ 15V / 1.67A XP POWER ועוד ספקי כוח, שנאים וממירי מתח. לחצו למיפרט טכני מלא. צרו קשר לייעוץ מקצועי: 04-8520233
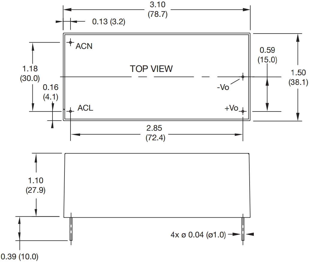
ספק כוח AC/DC למעגל מודפס - 25W - 85V~264V ⇒ 15V / 1.67A
♦ מק''ט יצרן : ECL25US15-E

מוצרים נלווים







