ספקי כוח, שנאים וממירי מתח » ספקי כוח - AC > DC » ספקים ממותגים למעגל מודפס - OPEN FRAME - SINGLE OUTPUT
ספק כוח AC/DC למעגל מודפס - 30W - 85V~264V ⇒ 24V / 1.25A XP POWER ועוד ספקי כוח, שנאים וממירי מתח. לחצו למיפרט טכני מלא. צרו קשר לייעוץ מקצועי: 04-8520233
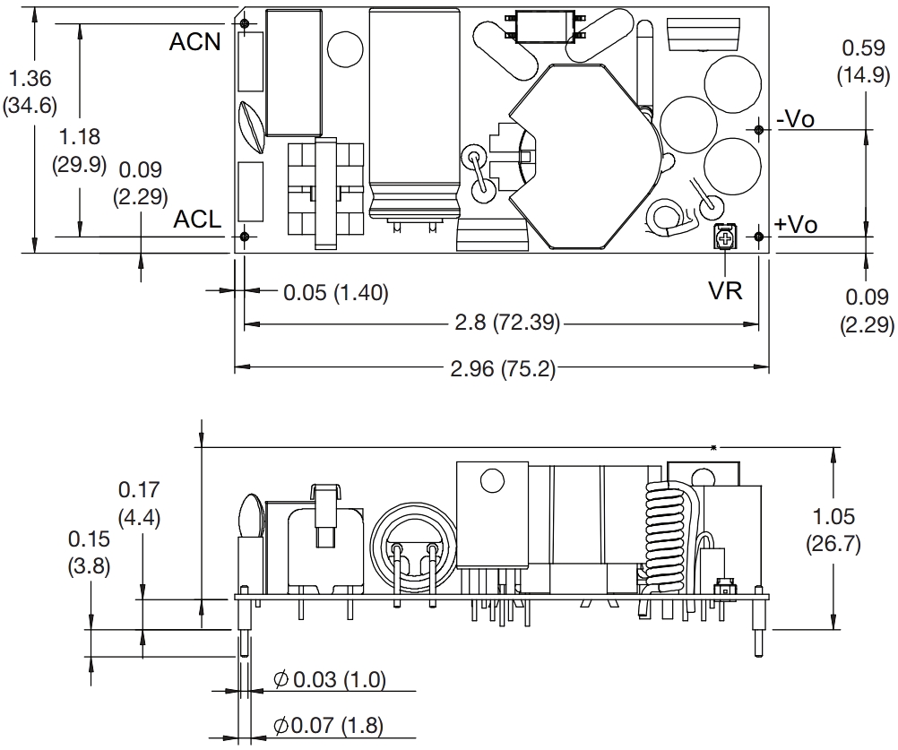
ספק כוח AC/DC למעגל מודפס - 30W - 85V~264V ⇒ 24V / 1.25A
♦ מק''ט יצרן : EML30US24-P

מוצרים נלווים







