ספקי כוח, שנאים וממירי מתח » ספקי כוח - AC > DC » ספקים ממותגים למעגל מודפס - OPEN FRAME - SINGLE OUTPUT
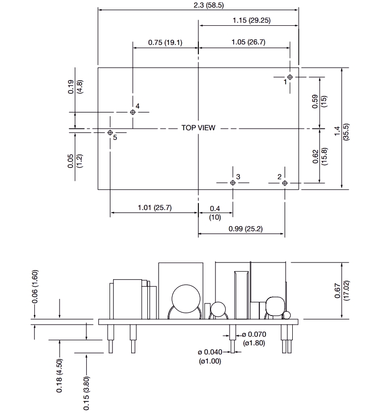
ספק כוח AC/DC למעגל מודפס - 5W - 90V~264V ⇒ 5V / 1A XP POWER ועוד ספקי כוח, שנאים וממירי מתח. לחצו למיפרט טכני מלא. צרו קשר לייעוץ מקצועי: 04-8520233
מוצרים נלווים








