ספקי כוח, שנאים וממירי מתח » ספקי כוח - AC > DC » ספקים ממותגים עם חיבור לשאסי - ENCAPSULATED - MULTI OUTPUT
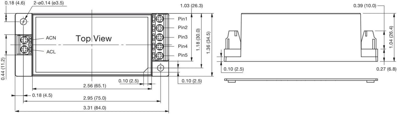
ספק כוח AC/DC לשאסי - 7.5W - 85V~264V ⇒ +15V / -15V XP POWER ועוד ספקי כוח, שנאים וממירי מתח. לחצו למיפרט טכני מלא. צרו קשר לייעוץ מקצועי: 04-8520233
מוצרים נלווים








