ספקי כוח, שנאים וממירי מתח » ספקי כוח - AC > DC » ספקים ממותגים עם חיבור לשאסי - OPEN FRAME - SINGLE OUTPUT
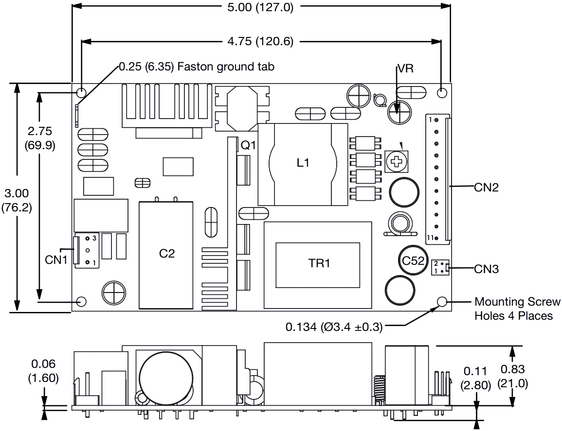
ספק כוח AC/DC לשאסי - 150W - 85V~264V ⇒ 28V / 5.36A XP POWER ועוד ספקי כוח, שנאים וממירי מתח. לחצו למיפרט טכני מלא. צרו קשר לייעוץ מקצועי: 04-8520233
מוצרים נלווים








