ספקי כוח, שנאים וממירי מתח » ספקי כוח - AC > DC » ספקים ממותגים עם חיבור לשאסי - OPEN FRAME - SINGLE OUTPUT
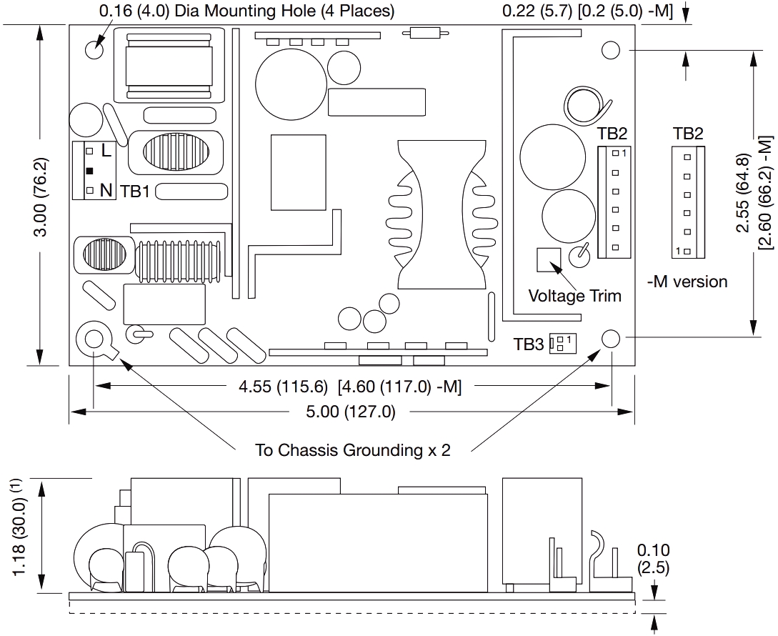
ספק כוח AC/DC לשאסי - 130W - 90V~264V ⇒ 24V / 4.5A XP POWER ועוד ספקי כוח, שנאים וממירי מתח. לחצו למיפרט טכני מלא. צרו קשר לייעוץ מקצועי: 04-8520233
מוצרים נלווים
| תמונה | תיאור מוצר | הוסף לסל | |||
|---|---|---|---|---|---|
| 3960111 מארז זיווד לספקי כוח AC/DC - סדרה JPS130 | XP POWER | מארז זיווד לספקי כוח AC/DC - סדרה JPS130 ♦ מק''ט יצרן : JPS130 COVER... ספקי כוח, שנאים וממירי מתח » ספקי כוח - AC > DC | כמות | |
| 1960111 קיט התחברות לספקי כוח - סדרה JPS130 | XP POWER | קיט התחברות לספקי כוח - סדרה JPS130 ♦ מק''ט יצרן : JPS130PS CONNECTOR KIT... ספקי כוח, שנאים וממירי מתח » ספקי כוח - AC > DC | כמות |








