ספקי כוח, שנאים וממירי מתח » ספקי כוח - AC > DC » ספקים ממותגים עם חיבור לשאסי - OPEN FRAME - MULTI OUTPUT
ספק כוח AC/DC לשאסי - 15W - 85V~264V ⇒ +5V / +15V / -15V XP POWER ועוד ספקי כוח, שנאים וממירי מתח. לחצו למיפרט טכני מלא. צרו קשר לייעוץ מקצועי: 04-8520233
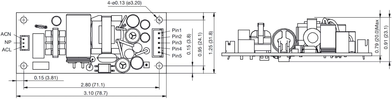
ספק כוח AC/DC לשאסי - 15W - 85V~264V ⇒ +5V / +15V / -15V
♦ מק''ט יצרן : ECL15UT03-T

מוצרים נלווים







