מסנן EMC / RFI עם חיבור לפאנל - סדרה 6A - FN2030 SCHAFFNER ועוד רכיבי חשמל ובקרה. לחצו למיפרט טכני מלא. צרו קשר לייעוץ מקצועי: 04-8520233
מסנן EMC / RFI עם חיבור לפאנל - סדרה 6A - FN2030
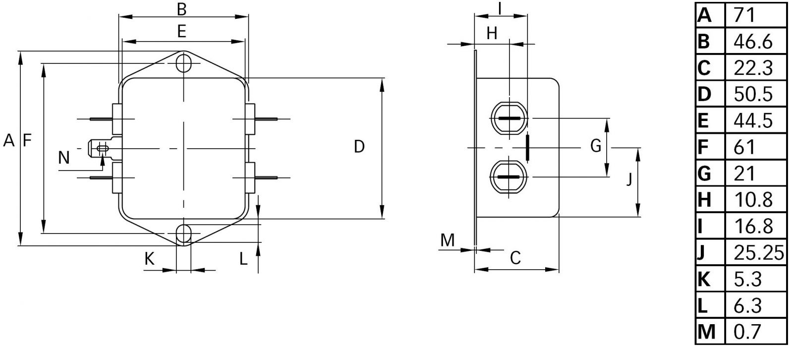
♦ מתח מקסימלי : 250VAC
♦ שיטת התחברות : QUICK CONNECT
♦ מאושר תקנים : UL , CSA , ENEC
.jpg)
מוצרים נלווים







