מסנן EMC / RFI עם חיבור לפאנל - סדרה 30A - FN2030B SCHAFFNER ועוד רכיבי חשמל ובקרה. לחצו למיפרט טכני מלא. צרו קשר לייעוץ מקצועי: 04-8520233
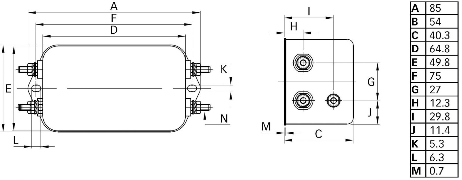
מסנן EMC / RFI עם חיבור לפאנל - סדרה 30A - FN2030B
♦ מתח מקסימלי : 250VAC
♦ שיטת התחברות : STUD
♦ מאושר תקנים : UL , CSA , ENEC
.jpg)
מוצרים נלווים







