מסנן EMC / RFI עם חיבור לפאנל - סדרה 3A - FN2080 SCHAFFNER ועוד רכיבי חשמל ובקרה. לחצו למיפרט טכני מלא. צרו קשר לייעוץ מקצועי: 04-8520233
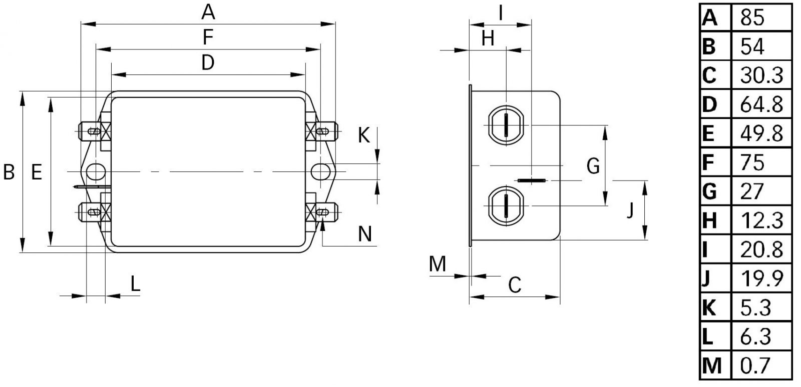
מסנן EMC / RFI עם חיבור לפאנל - סדרה 3A - FN2080
♦ מתח מקסימלי : 250VAC
♦ שיטת התחברות : QUICK CONNECT
♦ מאושר תקנים : UL , VDE , CSA , SEV , IEC950
.jpg)
מוצרים נלווים







