מסנן EMC / RFI עם כניסת מתח IEC - סדרה 15A - FN9233 SCHAFFNER ועוד רכיבי חשמל ובקרה. לחצו למיפרט טכני מלא. צרו קשר לייעוץ מקצועי: 04-8520233
מסנן EMC / RFI עם כניסת מתח IEC - סדרה 15A - FN9233
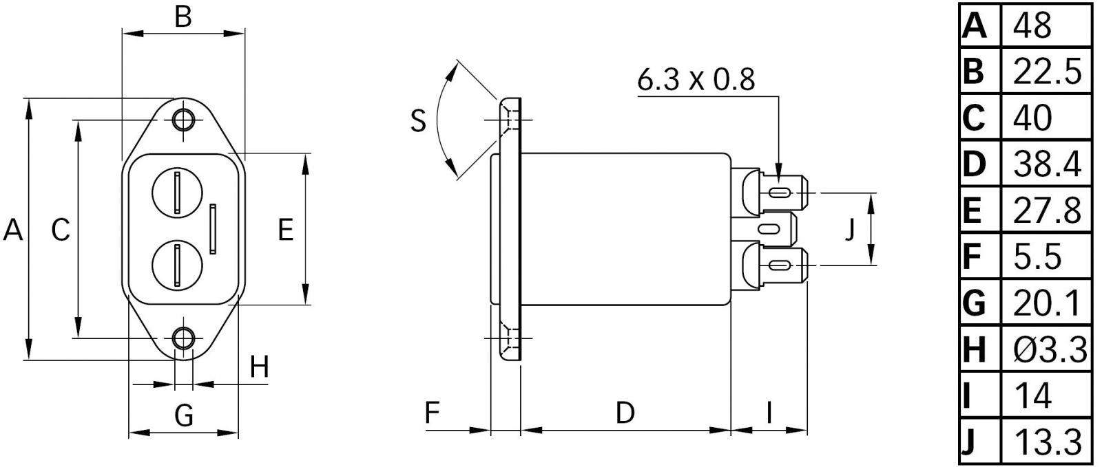
♦ מבנה המסנן : HORIZONTAL SCREW MOUNT
♦ מתח מקסימלי : 250VAC
♦ שיטת התחברות : QUICK CONNECT
♦ מאושר תקנים : UL , VDE , CSA , SEV , SEMKO , IEC950
.jpg)
מוצרים נלווים







