מסנן EMC / RFI עם כניסת מתח IEC - סדרה 1A - FN9266 SCHAFFNER ועוד רכיבי חשמל ובקרה. לחצו למיפרט טכני מלא. צרו קשר לייעוץ מקצועי: 04-8520233
מסנן EMC / RFI עם כניסת מתח IEC - סדרה 1A - FN9266
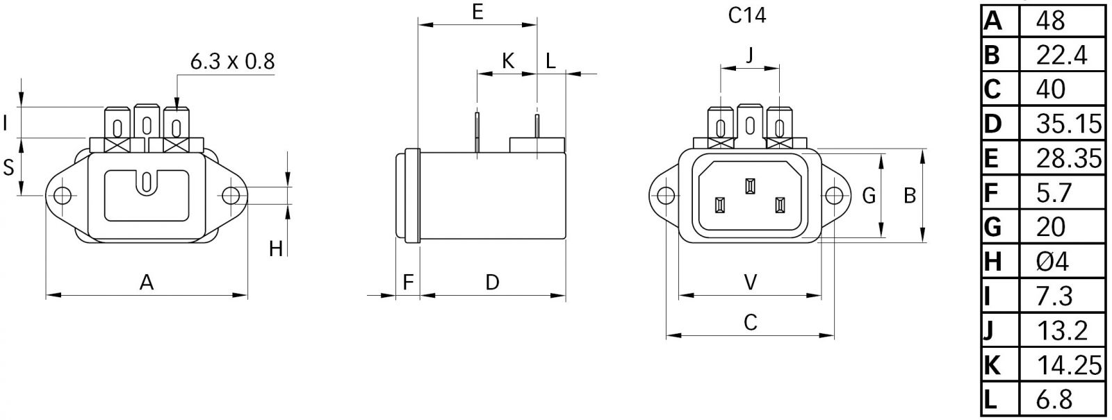
♦ מבנה המסנן : HORIZONTAL SCREW MOUNT
♦ מתח מקסימלי : 250VAC
♦ שיטת התחברות : RIGHT ANGLE QUICK CONNECT
♦ מאושר תקנים : UL , VDE , CSA , SEV , SEMKO , IEC950

מוצרים נלווים







