מסנן EMC / RFI עם כניסת מתח IEC - סדרה 4A - FN9260B SCHAFFNER ועוד רכיבי חשמל ובקרה. לחצו למיפרט טכני מלא. צרו קשר לייעוץ מקצועי: 04-8520233
מסנן EMC / RFI עם כניסת מתח IEC - סדרה 4A - FN9260B
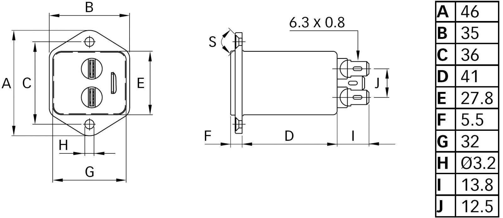
♦ מבנה המסנן : HORIZONTAL SCREW MOUNT
♦ תושבת לשני פיוזים 5X20MM
♦ מתח מקסימלי : 250VAC
♦ שיטת התחברות : QUICK CONNECT
♦ מאושר תקנים : UL , CSA , CQC , ENEC , IEC60601-1

מוצרים נלווים







