מסנן EMC / RFI עם כניסת מתח IEC - סדרה 6A - FN393 SCHAFFNER ועוד רכיבי חשמל ובקרה. לחצו למיפרט טכני מלא. צרו קשר לייעוץ מקצועי: 04-8520233
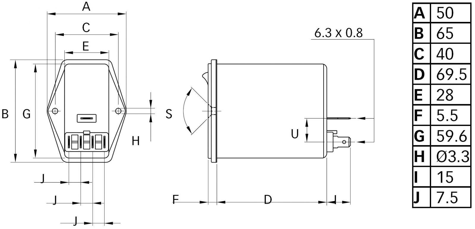
מסנן EMC / RFI עם כניסת מתח IEC - סדרה 6A - FN393
♦ מבנה המסנן : HORIZONTAL SCREW MOUNT
♦ בורר מתח 110-120V / 220-240V
♦ תושבת לפיוז 5X20MM
♦ מפסק רוקר DPST
♦ מתח מקסימלי : 250VAC
♦ שיטת התחברות : QUICK CONNECT
♦ מאושר תקנים : UL , CSA , SEMKO , VDE , SEV , IEC320 , IEC950
.jpg)
מוצרים נלווים







