ספקי כוח, שנאים וממירי מתח » ספקי כוח - AC > DC » ספקים ממותגים למעגל מודפס - ENCAPSULATED - MULTI OUTPUT
ספק כוח AC/DC למעגל מודפס - 15W - 85V~264V ⇒ +12V / -12V XP POWER ועוד ספקי כוח, שנאים וממירי מתח. לחצו למיפרט טכני מלא. צרו קשר לייעוץ מקצועי: 04-8520233
שתף
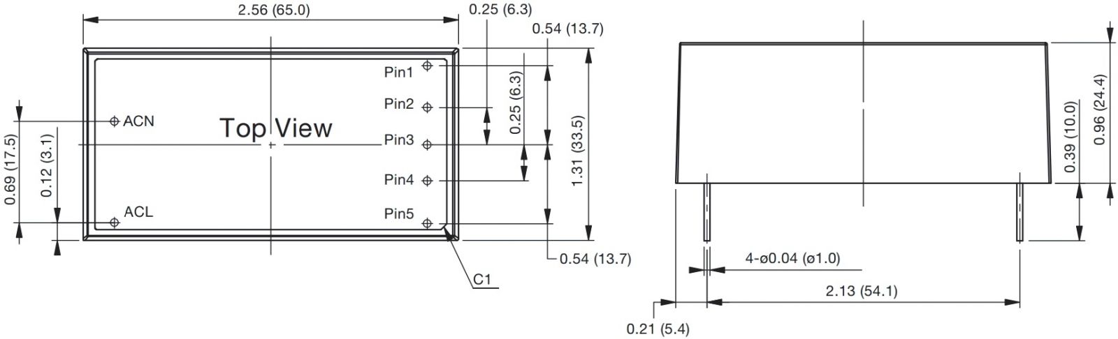
ספק כוח AC/DC למעגל מודפס - 15W - 85V~264V ⇒ +12V / -12V
♦ מק''ט יצרן : ECL15UD01-E

מוצרים נלווים







