ספקי כוח, שנאים וממירי מתח » ספקי כוח - AC > DC » ספקים ממותגים למעגל מודפס - ENCAPSULATED - MULTI OUTPUT
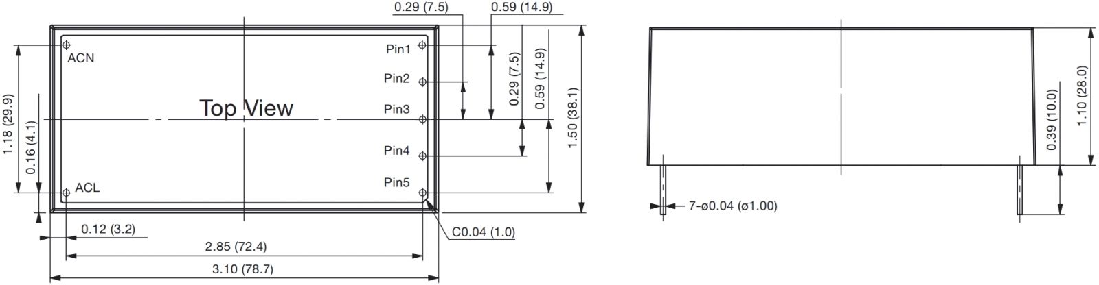
ספק כוח AC/DC למעגל מודפס - 30W - 85V~264V ⇒ +5V / +12V XP POWER ועוד ספקי כוח, שנאים וממירי מתח. לחצו למיפרט טכני מלא. צרו קשר לייעוץ מקצועי: 04-8520233
שתף
ספק כוח AC/DC למעגל מודפס - 30W - 85V~264V ⇒ +5V / +12V
♦ מק''ט יצרן : ECL30UD03-E

מוצרים נלווים







