ספקי כוח, שנאים וממירי מתח » ספקי כוח - AC > DC » ספקים ממותגים עם חיבור לשאסי - OPEN FRAME - SINGLE OUTPUT
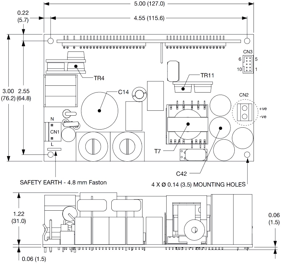
ספק כוח AC/DC לשאסי - 212W - 90V~264V ⇒ 12V / 16.7A XP POWER ועוד ספקי כוח, שנאים וממירי מתח. לחצו למיפרט טכני מלא. צרו קשר לייעוץ מקצועי: 04-8520233
שתף
מוצרים נלווים








