ספקי כוח, שנאים וממירי מתח » ספקי כוח - AC > DC » ספקים ממותגים עם חיבור לשאסי - OPEN FRAME - MULTI OUTPUT
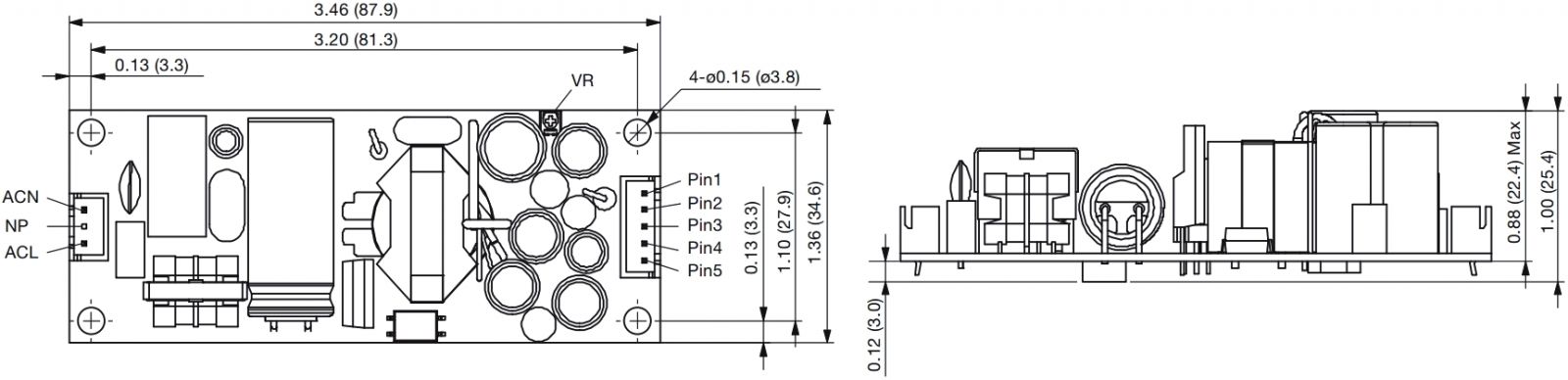
ספק כוח AC/DC לשאסי - 30W - 85V~264V ⇒ +12V / -12V XP POWER ועוד ספקי כוח, שנאים וממירי מתח. לחצו למיפרט טכני מלא. צרו קשר לייעוץ מקצועי: 04-8520233
שתף
מוצרים נלווים








