ספקי כוח, שנאים וממירי מתח » ספקי כוח - AC > DC » ספקים ממותגים עם חיבור לשאסי - OPEN FRAME - MULTI OUTPUT
ספק כוח AC/DC לשאסי - 120W - 90V~264V ⇒ +5V / +12V / -5V XP POWER ועוד ספקי כוח, שנאים וממירי מתח. לחצו למיפרט טכני מלא. צרו קשר לייעוץ מקצועי: 04-8520233
שתף
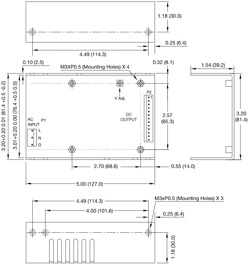
ספק כוח AC/DC לשאסי - 120W - 90V~264V ⇒ +5V / +12V / -5V
♦ מק''ט יצרן : SDS120PT07B

מוצרים נלווים
| תמונה | תיאור מוצר | הוסף לסל | |||
|---|---|---|---|---|---|
| 5599011 כיסוי לספקי כוח AC/DC - סדרה SDS120 | XP POWER | כיסוי לספקי כוח AC/DC - סדרה SDS120 ♦ מק''ט יצרן : SDS120 COVER... ספקי כוח, שנאים וממירי מתח » ספקי כוח - AC > DC | כמות | |
| 7070111 קיט התחברות לספקי כוח - סדרה SDS120 | XP POWER | קיט התחברות לספקי כוח - סדרה SDS120 ♦ מק''ט יצרן : SDS120 CONNECTOR KIT... ספקי כוח, שנאים וממירי מתח » ספקי כוח - AC > DC | כמות | |
| 9070111 צמת התחברות לספקי כוח - סדרה SDS120M | XP POWER | צמת התחברות לספקי כוח - סדרה SDS120M ♦ מק''ט יצרן : SDS120M LOOM KIT... ספקי כוח, שנאים וממירי מתח » ספקי כוח - AC > DC | לא ניתן להזמין - אזל המלאי |







